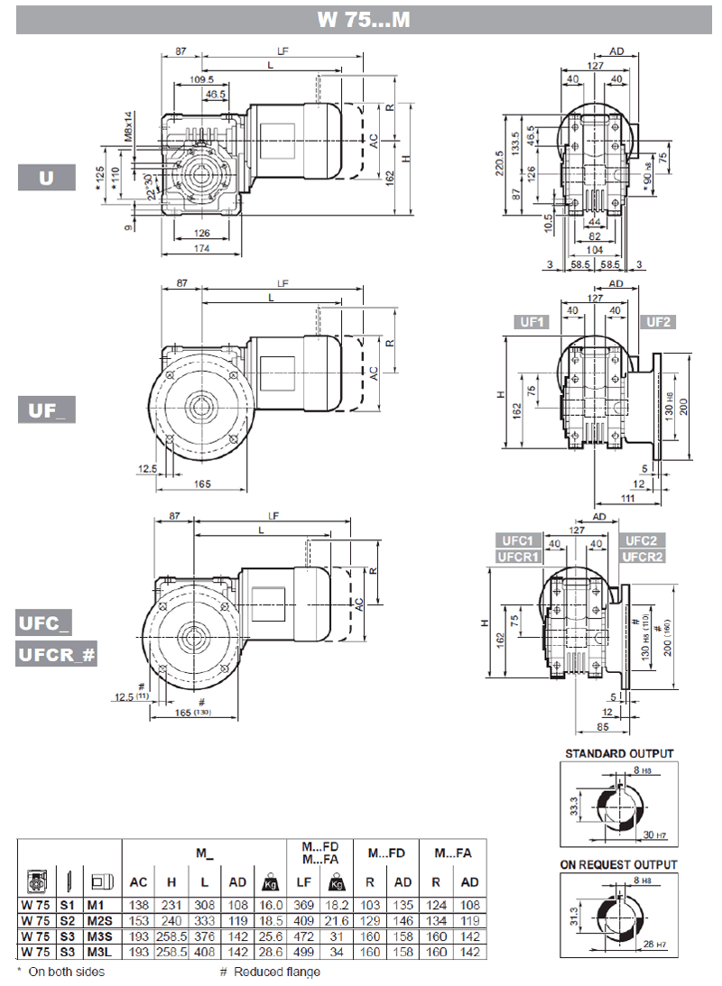
Габаритно-присоединительные размеры W75

 

Назад

Габаритно-присоединительные размеры W75

Габаритно-присоединительные размеры W75

Назад

 
© 2014 Редукторы, мотор-редукторы, устройства плавного пуска, преобразователи частоты